6. 纳米纤维素

大家都知道纤维素,这个由树皮和植物的茎组成,但打乱化学结构后,你就可以创建一个最强的材料——纳米纤维素。
这东西很轻,导电,结合石墨烯它还可以做成弯曲的电池,此外也可以做防弹衣,更轻、更有效的车辆和灵活的手机。
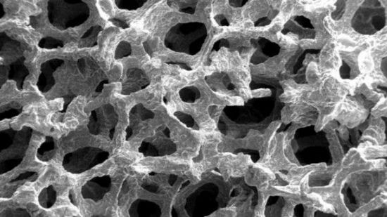
7. 泡沫金属

顾名思义,泡沫金属就是大量的金属和孔的结构,这个金属结构包含大量的充气孔,其中四分之三的空间是空的,所以会非常轻。
这使得它特别适合骨头、关节假体、建筑、隔音、隔热。对汽车制造商来说,这将是一个非常有效的减震器,可以在不增加重量的时候增加强度。
8. 生物塑料

生物塑料有几年时间了,但一直没成为主流。正常塑料是由化石燃料提炼的,而生物塑料由自然资源诸如植物油和纤维素加工而成。
不过根据贸易组织统计,欧洲生物塑料近年年增长已经超过20%。
9. 纳米点和钙钛矿

当下太阳能电池板有效率低,20%的效率就算高了。但斯坦福认为Nanodots可以提供更薄、更高效的太阳能电池板。
与此同时,染料敏化太阳能电池(DSSCs)能提供类似的效能却有着低得多的成本,可降低每瓦太阳能发电的成本。DSSCs就使用钙钛矿,是一种丰富的矿物。
10. 电子皮肤

这个加州伯克利分校创造的所谓电子皮肤,有塑料薄膜晶体管,在每个像素包含有机LED和压力传感器。
这个皮肤很灵活,可以贴到任何事物上,比如汽车上的触摸屏、机器人皮肤、要求非常灵敏的触感皮肤、义肢等。
注释:液态金属是由锆,钛,镍,铜还有其他材料混合而成。目前以 Liquidmetal为商标进行销售的系列锆合金商品有Vitreloy 1 、Vitreloy4、Vitreloy 105、Vitreloy 106a,他们各自成份构成如下,依照莫耳百分比表示:早期的 Vitreloy 1 合金(锆: 41.2, 铍: 22.5, 钛:13.8, 铜: 12.5, 镍: 10),一个变化品种 Vitreloy 4,或称 Vit4(锆: 46.75, 铍: 27.5, 钛:8.25, 铜: 7.5, 镍: 10),Vitreloy 105,或称 Vit105。
- 太原理工大学张虎林教授团队《ACS APM》:用于电子产品同时废热回收和热管理的无水热电凝胶 2023-04-01
- 广西大学林宝凤团队 ACS AMI:具有抗菌抗氧化和紫外线防护功能的电子皮肤用于湿度/汗液传感 2022-12-24
- 西安交大蒋庄德院士、赵立波教授团队 CEJ: 基于超声空化负载效应的静电纺丝聚合物微纳纤维功能化制造 2022-11-02
- NUS林艺良教授课题组 Nat. Commun.:面向电子纺织品信号干扰的应变可编程液态金属纤维设计 2026-04-09
- 中科院理化所刘静团队 ACHM:液态金属墨囊问世解码动物神奇本领 - 仿生界首获水下喷墨逃生绝技 2026-04-07
- 中科院理化所刘静团队 Nanoscale:首个液态金属细胞问世,解锁 “小腔室,大世界”丰富特性与应用 2026-03-29
- 北化刘军/冯岸超/张玮峰团队联合王中林团队 AM:打造“六边形战士”柔性材料 - 集自修复、粘附、发电于一身 2026-05-12